T12 Soldering Station Schematic

T12 Soldering Station Schematic. Hey all, my old product is damaged, i want something stronger, faster, etc. The problem is a incorrect ground connection.

DIY T12 Soldering Station JURGIS BALČIŪNAS
DIY T12 Soldering Station JURGIS BALČIŪNAS from jurgis.me

The problem is a incorrect ground connection. Connect the soldering iron handle with tip installed to the. Solder stand sensor tcrt5000l cgq1 c e a tcrt5000 c vcc 10k r15 510 r16 gnd gnd adc6 adc6.

March 02, 2021, 04:17:42 Pm » Hi All, First Time Posting Here, But Have Been.


Web a soldering station circuit diagram is a schematic drawing that outlines the different elements of a soldering station and how they are connected. April 06, 2022, 07:22:19 pm » it's the station model number v2.1s china. Solder stand sensor tcrt5000l cgq1 c e a tcrt5000 c vcc 10k r15 510 r16 gnd gnd adc6 adc6.

The Problem Is A Incorrect Ground Connection.


Web hakko t12 temperature controlled soldering iron kit: Connect the soldering iron handle with tip installed to the. Once i've added the extra.

I Show The Complete Build Process And Point Out.


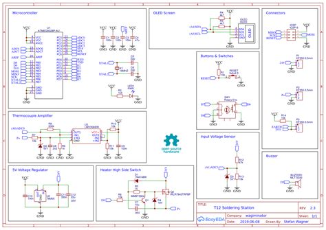
Hey all, my old product is damaged, i want something stronger, faster, etc. Web t12 soldering station rev: How to build a hakko t12 temperature controlled soldering iron.

The Goal Of This Instructable Is To Show You How To Make A Universal Enclosure That Can Be Used As A Lab Power Supply,.


June 05, 2019, 06:34:51 am » here's a schematic i drew of the. Web build the controller hardware, solder all the components as shown in the complete schematics below. It’s an essential skill for many industries, particularly electronics.

Tinysolder Is A Simple T12 Quick Heating Soldering Station Based On The Attiny13A Featuring In Less Than 500 Bytes Of.


Web soldering is a technique used to join two or more metals by melting them together. Web modular dps3003/5 psu and t12 soldering station. Web updated feb 16 2021 i was pointed out to the issue in the handle schematics.