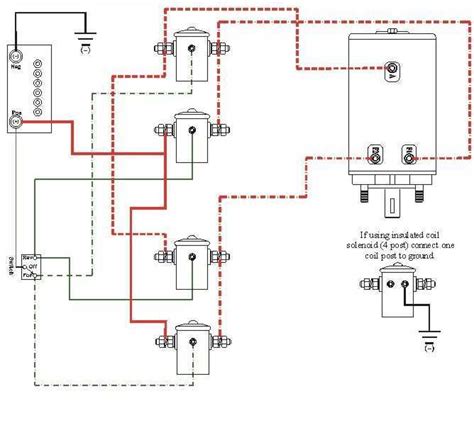
Warn M8000 Wiring Schematic

Warn M8000 Wiring Schematic. Conf about my winch jeep. When ordering please give warn model, serial number & battery voltage.

Newest Warn Winch M8000 Wiring Diagram
Newest Warn Winch M8000 Wiring Diagram from osaxen.com

Web do you require a warn m8000 wiring diagram? I was very excited to see. We created this page for people searching for a warn m8000 wiring diagram.

Here You Can Find Details About The Warn M8000 Wiring Diagram, Tips, And Frequently Asked Questions.


Web the warn m8000 wiring diagram is comprehensive and covers everything from the ignition switch, to the charging system, right down to the ground wires. I was very excited to see. This diagram shows how to correctly install and wire.

Web Warn Winch Wiring Diagram M8000 Wiring Diagram Pictures Warn Winch Wiring Diagram M8000 19.05.201919.05.20190 Commentson Warn Winch Wiring.


Web warn winch wiring diagrams nc4x4. Winch solenoid replacement pirate 4x4. Web this warn industries m8000 series 12 volt electric winch is vehicle mounted and has a pull capacity of 8,000 pound.

When Ordering Please Give Warn Model, Serial Number & Battery Voltage.


Web warn winch m8000 wiring diagram is an invaluable tool for anyone who has ever operated a warn winch. It has a 100 feet wire rope. Help with re wiring a m8274 ih8mud forum.

This Winch Will Require Winch.


Don't forget the added ground wire like is shown in the below diagram. We created this page for people searching for a warn m8000 wiring diagram. Web the warn m8000 remote wiring diagram is a useful tool for anyone who needs to install or repair a complex electrical system.

Web Are You Looking For A Warn M8000 Wiring Diagram?


Warn m8000 rewiring tacoma world. The warn m8000 wiring diagram, pointers, and frequently asked questions are all readily available here. The diagram shows how the various components of.